潔博利單冷感應水龍頭功能說明
潔博利單冷感應水龍頭功能說明及安裝示意圖
潔博利感應水龍頭工作原理:
感應龍頭功能說明:
1. 智能感應:手伸到感應範圍內,感應龍頭立即出水,離開後感應龍頭立即關水,開關水時間<0.5S

2. 電路超微型設計:微電腦智能控製, 智能省電,微芯片控製靜態功耗≤:30uA
3. 方便衛生:即感應即出水,手伸進,水自來,手離開,水自停,無需接觸感應水龍頭,有效避免細菌及交叉感染; 免接觸使用,防止交叉感染
4. 超時保護:當連續使用感應龍頭時間超過1分鍾,感應龍頭將自動關水,避免因異物長時間在感應範圍內造成長流水現象,浪費水資源,再感應再出水。
5. 自動調距:機器采用微電腦控製,可根據使用環境設定最佳感應範圍.
6. 智能省電:采用潔博利靈動感應技術(Liteon),采用低功耗芯片控製,內置節電工作模式,超低能耗,更有效節電(直流型產品使用4節5號堿性電池,靜態電流≤30μA,若每天使用200次,電池使用壽命可達18個月)。
7. 弱電提示:電池電壓低於4.6V,紅色指示燈閃爍,提示更換電池
8. 電源可選:交流(使用220V交流電)、直流(使用普通5#堿性電池)、交直流兩用三種供電方式備選,交直流兩用模式可實現自動軟切換。
感應水龍頭性能參數:
供電電源: DC 6V
靜態功耗:<60uA

電池使用壽命: 1.5年(每天使用200次頻率計)
感應距離: 30~80cm遙控可調節,出廠設定65cm
進水管徑: G1/2 (DN15)
額定流量: 0.15L/S適用水壓: 0.05Mpa~ 0.7Mpa
適用溫度: 1~40℃
環境濕度: 95%RH以下
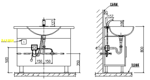
感應水龍頭安裝示意圖:


福建潔博利廚衛科技有限公司(以下簡稱“潔博利”)所有產品均按ISO9001國際質量體係標準生產,
潔博利保證產品及配件在正常使用及保養下能夠發揮其優越性能,同時潔博利將為用戶提供一年免費保修、5年品質保證、終身維修服務!
潔博利主營產品:智能廚衛 | 感應潔具 | 廚房智能龍頭 | 感應水龍頭 | 感應水嘴 | 浴室感應水龍頭
感應小便器 | 一體化感應小便器 | 感應小便器 | 感應大便器 | 感應大便器 | 蹲便感應潔具 | 感應節水器
感應馬桶 | 智能坐便器 | 智能馬桶蓋 | 加熱馬桶蓋 | 感應幹手器 | 感應給液器 | 感應泡沫皂液器 | 衛浴電子解決方案
潔博利廚衛科技---十五年專注智能廚衛,中國智能衛浴解決方案首選供應商
以上保修規定適用於福建潔博利廚衛科技有限公司所有產品與商標,包含潔博利(GIBO)、豐碩(Fisoo)、諾美特(Nvomet)、西卡(Fisika)!